Produktdaten
| Anschluss: | Klebemuffen x Innengewinde (Rp) |
|---|---|
| Anschlussmaße: | 20 mm x 1/2" - 63 mm x 2" |
| Arbeitsdruck (PN): | 16 bar |
| Temperatur: | 0 bis 80 °C, kurz bis 95 °C |
| Material: | PVC-C |
| Normen/Zulassungen: | Gewinde: DIN EN 10226-1 (ISO 7/1) |
| Hersteller: | Van de Lande |
| Eigenschaften der PVC-C Fittings und Rohre | |
Technische Zeichnung
Die angegebenen Abmessungen sind die Werte, welche wir von den Herstellern und unseren Lieferanten erhalten.
Die Produkte werden ständig weiterentwickelt und verbessert, wodurch sich die Maße verändern können. Wir versuchen die Daten aktuell zu halten, können aber keine 100% Garantie auf die Richtigkeit der angegebenen Werte übernehmen.
Die Eigenschaften (z. B. Druckbeständigkeit) sowie die Anschlussmaße bleiben dabei gegeben.

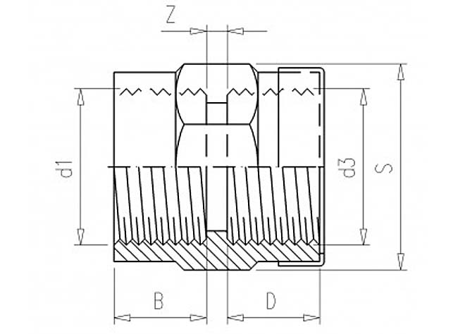
| d1 | d3 | Z | B | D | S | PN |
|---|---|---|---|---|---|---|
| 20 | 1/2" | 2 | 16 | 15 | 32 | 16 |
PN =maximaler Betriebsdruck in bar (bei 20 °C Flüssigkeitstemperatur)
PVC-C Gewindemuffe mit einer Klebemuffe für PVC-C Rohre und einem Innengewinde für Gewindefittings mit entsprechendem Außendurchmesser. So lassen sich Übergänge auf Rohrleitungen aus anderen Materialien herstellen. Das Innengewinde der PVC-C Übergangsmuffe ist zusätzlich durch einen Metallring verstärkt, welcher Spannungen, die durch eine zu feste Montage der Übergangsmuffe oder hohen Drücken auf der Gewindemuffe einwirken dämpft und so ein Aufplatzen des Gewindes vermeidet. Die Gewindemuffe kann für einen Betriebsdruck von bis zu 16 bar (bei 20 °C Flüssigkeitstemperatur) verwendet werden.
Zum Verkleben der Klebemuffe benötigen Sie PVC-C Kleber. Zum Abdichten der Gewindeseite benötigen Sie zusätzlich geeignetes Gewindedichtmaterial wie z. B. PTFE-Dichtband. Die Übergangsmuffe ist mit einem Sechskant ausgestattet, welcher eine einfache Montage mithilfe eines Schraubenschlüssels ermöglicht. Die Klebeseite ist wie bei allen PVC-C Klebefittings angeschrägt, um ein einfaches Verkleben zu ermöglichen. Der Ring besteht aus Edelstahl.
Produkteigenschaften
- Temperaturbereich von 0 °C bis +80 °C, kurz 95 °C
- beständig gegen Säuren, Wasser, Salzwasser, Öle und Chlor
- für Druck- und Saugleitungen verwendbar
- weichmacherfreier Kunststoff
- hohe Abriebfestigkeit
- ober- und unterirdisch einsetzbar
Zusatzinformationen
Häufige Fragen
PVC-C ist ein Kunststoff, welcher frei von Weichmachern und Schwermetallen ist und sich für die Trinkwasserversorgung eignet. Beachten Sie allerdings, dass verschiedene PVC-C Fittings und Ventile auch zusätzlich aus anderen Materialien bestehen, welche nicht für die Trinkwasserversorgung verwendet werden sollten. Hierzu zählen z. B. Dichtungen aus EPDM. Für Trinkwasserleitungen können Sie alternativ eine PE-Rohrleitung, welche für die Trinkwasserversorgung zertifiziert ist verwenden.
PVC-C Druckrohre und Fittings werden miteinander verklebt oder verschraubt sowie über Flanschverbindungen miteinander verbunden. Die Rohre werden generell verklebt. Zum Kleben der Rohre benötigen Sie zusätzlich PVC-C Kleber und gegebenenfalls PVC-C Reiniger. Ein Anrauhen der Klebeflächen ist nicht nötig. Die Verklebung erfolgt bei allen klebbaren Kunststoffrohrleitungen gleich.
Nein. PVC-C Rohrleitungen sind ausschließlich für den Transport von Flüssigkeiten ausgelegt. Für geringe Druckbereiche wie bei Absauganlagen etc. können die Rohre jedoch verwendet werden.
Lissenveld 1
Raamsdonksveer, Niederlande, 4941 VK
info@vandelande.com